Россия, Пермь, Деревообделочная
Телефон:
+7 (342) 238-60- Показать номер
Пн-чт: 09:00—18:00; пт: 09:00—17:00
whatsapp telegram vk email

Размеры скамеек: какой должна быть высота, длина и ширина лавочек

Стандартные размеры скамейки для дачного участка
Любой загородный или дачный участок не обходится без уголка, предназначенного для отдыха. А значит, для комфортного времяпрепровождения хозяев ему необходима удобная мебель, которая позволит им расслабиться после трудового дня, отдохнуть в тени деревьев, или просто посидеть с друзьями. Самым простым вариантом будет создание скамейки. Однако даже для такой несложной конструкции есть одно требование: она должна идеально вписаться в ландшафт придомовой территории. Поэтому сначала владельцам сада или огорода нужно выбрать подходящий дизайн, а потом узнать, как сделать скамейку самостоятельно. Работу нельзя назвать сложной, однако свои особенности у нее есть.

Ширина места для сиденья

От ширины места для сидения напрямую зависит комфорт нахождения на скамейке. Для взрослого человека минимальная ширина составляет около 410 мм, а стандартная — 500-600 мм. Конечно, есть и многие другие варианты, скамейки с габаритами в 900 мм. Например, на лавочке в 110 см можно сидеть сразу с двух сторон вполне комфортно, не мешая при этом рядом отдыхающим людям. Нельзя сказать, какая ширина лучше: все зависит от личных предпочтений и того места, где будет располагаться то или иное изделие.

Стандартные размеры скамейки для дачного участка Стандартные размеры скамейки для дачного участка

Как сделать простую деревянную скамейку со спинкой своими руками


Как сделать простую деревянную скамейку со спинкой своими руками

Конструкция скамейки

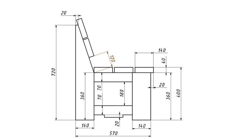
Длина сиденья и спинки будет равняться 1500 мм. На этой мебели могут сразу комфортно разместиться три человека. Высота сиденья — 450 мм, высота спинки — 900 мм. Спинку желательно расположить под углом 18-20 градусов. Ширина сиденья равняется 400 мм.

Материал и инструменты для изготовления садовой скамьи из дерева

  1. Деревянные доски 1500 на 150 мм, толщиной 35-40 мм. Три заготовки для сиденья и две для спинки.
  2. Заготовки, выполняющие функцию ножек и держателей для спинки — 900 на 150 мм, толщиной 35-40 мм.
  3. Заготовки для передних ножек скамейки — 360 на 150 мм, толщиной 35-40 мм.
  4. Брусы 40 на 40 мм, будут использоваться для усиления конструкции скамьи.
  5. Саморезы.
  6. Электрический лобзик для раскроя досок.
  7. Электрорубанок для шлифовки поверхности досок и обработки фасок.
  8. Шуруповерт.
  9. Наждачная бумага.
  10. Лак и грунтовка.

Изготовление деревянной конструкции


Чертеж скамейки
Шаг 1. Доски для изготовления скамейки можно приобретать сразу в размер, если таковых в продаже не имеется, древесину придется кроить на заготовки с помощью лобзика или торцовочной пилы.


Чертеж скамейки вид сбоку


Чертеж вид сбоку с размерами


Чертеж вид спереди

После того как древесина раскроена на нужную длину, ее требуется тщательно обработать. Заготовки для спинки и сиденья нужно отшлифовать. Все торцы досок также нужно обработать электрорубанком, желательно придать им скругленную форму.


Обработка доски

Шаг 2. Длинным задним ножкам лавки, которые дополнительно являются каркасом для спинки, нужно задать правильный угол наклона. Для этого нужно на две деревянные заготовки, имеющие длину 900 мм, нанести разметку.

Первой отмечается высота лавки — 400 мм. Этот отрезок доски в обработке не нуждается. Начиная от отрезка нужно по всей остальной длине доски сделать срез в 20 градусов, который и формирует угол наклона спинки скамейки. Срезы на двух задних ножках должны быть одинаковыми как по высоте, так и по углу наклона. Иначе скамейка окажется перекошенной.


Элементы каркаса

Шаг 3. Первыми в конструкции лавки собираются ножки. Расстояние между передними и задними ножками равняется 280 мм. Соединяются ножки брусом, который раскраивается на всю ширину лавки — на 500 мм. Желательно делать двойную обвязку — сверху и снизу.

Шаг 4. После того как две боковины скамейки собраны, можно соединить их между собой досками, предназначенными для сидения. Доски прикручиваются с помощью саморезов к верхним брусам обвязки. Желательно, чтобы между деревянными заготовками оставались равные по размеру зазоры — 1-2 см. Эти зазоры способствуют циркуляции воздуха и отводу влаги.


Крепление спинки

Шаг 5. Усиление конструкции скамейки. Чтобы садовая мебель оказалась устойчивой и долговечной, желательно усилить ее конструкцию. Для этих целей нужно сделать нижнюю обвязку по ножкам с помощью брусов. Две заготовки, имеющие длину 1500 мм, прикручиваются к передним и задним ножкам скамьи. Если пиломатериала не хватает, можно использовать одну поперечину, которая крепится к нижним брусам обвязки.

Шаг 6. Монтаж спинки скамейки. Скамья уже практически готова, остался последний штрих — крепление двух досок, выполняющих функцию спинки. Первую доску рекомендуется крепить на расстоянии 200 мм от сиденья. Вторую — на расстоянии 380 мм от сиденья.

Шаг 7. Финишное покрытие садовой мебели. Чтобы защитить древесину от воздействия окружающей среды, желательно использовать глубокую пропитку и лак. Пропитка защитит скамейку от влаги, плесени, насекомых-вредителей.

Лак придаст мебели красивый и нарядный вид. Чтобы придать дереву блеск, нужно хорошенько отполировать материал, и несколько раз покрыть заготовки лаком.


Фото скамейки с другого ракурса

Видео — Подробная инструкция по изготовлению садовой скамьи


Изготовление садовой скамейки


Изготовление садовой скамейки

Видео — Лавочка за 6 минут

Узнайте несколько интересных вариантов, как сделать стол своими руками, из нашей новой статьи.

Каким может быть количество посадочных мест?

Следует понимать, что предполагаемое число людей, способных сесть на скамейку, учитывается исходя из комплекции человека среднего телосложения. Чем больше длина, тем больше людей поместится на изделии. Рассмотрим стандартные размеры длины от 0,6 до 3 метров:

  • 600 мм. Это одно посадочное место, больше похожее на кресло, один человек будет чувствовать себя довольно свободно на такой скамейке.
  • 1200 мм. При такой длине на скамейке поместятся 2 человека. Как правило, такие изделия комплектуются двумя боковыми опорами и не имеют подлокотников.
  • 1500 мм. Она также имеет две боковые опоры и очень похожа на предыдущий вариант за исключением того, что на ней также может поместиться ребенок или сумка. Два человека будут чувствовать себя вольготно. Этот размер пользуется популярностью для садовых и дачных участков.
  • 1800 мм. Имеются две опоры, а посадочных мест уже 3. Такие конструкции чаще всего встречаются в общественных местах.
  • 2000 мм. От предыдущей скамейки ее отличает наличие еще одной центральной опоры. На ней могут свободно сидеть 3 человека или 4 персоны небольшой комплекции.
  • 2500 мм. У нее есть центральная опора и две боковые. На ней способны разместиться 4 особы. Такой вариант часто можно встретить в общественных местах с большой проходимостью, в скверах и на бульварах.
  • 3000 мм. Считается общепринятым стандартом. Кроме двух боковых, имеет еще и центральную опору. Изделие рассчитано на 5 посадочных мест, преимущественно устанавливается в парках и скверах города.
Садовая скамейка для дачи своими рукамиСадовая скамейка для дачи своими руками

Лавочка "Скамейка"своїми рукамиЛавочка "Скамейка"своїми руками

Садовая скамейка из дерева своими рукамиСадовая скамейка из дерева своими руками

Выбор материала для садовой мебели

Как сделать скамейку: разные варианты удобных и простых конструкций

Перед тем как интересоваться, как сделать скамейку, надо решить первую задачу — найти достойного претендента для ее изготовления. Садово-огородную мебель мастерят из:

  • дерева;
  • камня;
  • металла;
  • пластика.

«Безгрешных» и непривлекательных материалов нет, каждый из них имеет свои сильные и слабые стороны. Однако фаворит для «самодеятельности» («рукотворчества») определен, причем уже довольно давно.

Дерево

Как правило, древесину всегда рассматривают в первую очередь. Она — почти идеал для создания любой мебели — интерьерной и уличной. Дерево отличается особым теплом, легкой обработкой, оно отлично вписывается в любой ландшафт. Скамейку можно изготовить из любого сорта древесины, но несколько условий обязательно: она должна быть высушена и лишена серьезных внешних дефектов.

Минус у древесины есть: это ее натуральность, которая привлекает к ней разных врагов — плесень, насекомых, грызунов. Чтобы конструкция служила максимально долго, ее необходима надежная защита от влаги. Иначе скамейка совсем не долго сможет радовать хозяев.

Камень

Как сделать скамейку: разные варианты удобных и простых конструкций

Это второй природный кандидат, который тоже способен стать частью любого стилистического направления. Такая мебель выглядит необычно, основательно, непоколебимо. Однако у камня, по сравнению с деревом, есть несколько серьезных недостатков. Это холод, который идет от материала, когда на улице прохладно, и твердость, требующая защиты в виде подушек или мягких чехлов. Еще один минус — монументальность конструкции: ее, в отличие от деревянной мебели, даже сдвинуть с места не получится.

Металл

Из этого материала можно соорудить изящные, почти невесомые кованые изделия, которые станут украшением любого участка, однако хозяину надо быть знакомым с методом холодной или горячей ковки. Чтобы конструкция была надежной, мастеру потребуется сварочный аппарат и навыки работы с ним. Минус таких конструкций — высокий коэффициент теплопроводности материала: они ледяные в холод и горячие в жару. Плюс металла — возможность его комбинации с другими материалами: самый лучший его «сосед» — дерево.

Как сделать скамейку: разные варианты удобных и простых конструкций

Пластик

Этот материал и по алфавиту, и по качествам находится на последнем месте. Среди преимуществ пластиковой мебели — легкость, простой уход и невысокая цена. Минусы существеннее: к ним относится неустойчивость к механическим воздействиям, быстрое выгорание на солнце, а также не слишком презентабельный вид. Однако оригинальные решения из пластика выглядят очень привлекательно.

Выбирая материал для самостоятельного изготовления мебели, чаще останавливаются на древесине, так как она доступна, проста в обработке, отличается низкой теплопроводностью. Единственный серьезный недостаток дерева — уязвимость к влаге и живой угрозе — мастер сможет нивелировать надежной защитой материала.

Какие есть стандартные размеры конструкций?

Стандартные размеры конструкции скамеек рассчитываются исходя из параметров среднестатистической комплекции людей. Так как для детей или тучных людей они, конечно же, будут отличаться.

Длина типичной скамейки в парке обычно составляет 150-180 сантиметров. Такой универсальный размер позволяет разместиться трем или четырем людям. Спинка стандартной конструкции составляет 90 см, к таким размерам мы больше всего привыкли. Высота изделия начинается от 40 сантиметров. Она варьируется и может иметь другие пропорции, например, если скамейка предназначена для детей и необходимо оборудовать индивидуальную зону для них.

Интересные модели для дачи

На сегодняшний день можно встретить самые оригинальные варианты лавок и скамеек для дачной зоны отдыха. Среди имеющихся проектов можно найти модели на любой вкус и стиль:

  1. Лавки с встроенными клумбами для цветов.
  2. Цельная скамья с встроенным столиком.
  3. Садовая скамейка, выполненная из декоративных бревен.

Вариантов, подходящих для самостоятельной работы, достаточно много. Удачно комбинируя различные материалы, можно создать настоящий шедевр на своем дачном участке.

Как подобрать нужную конструкцию?

Для того чтобы парковая скамейка или лавочка у дома была удобная, следует уделять внимание ее габаритам и прочим параметрам. Ширину и глубину сиденья, высоту спинки следует выбирать исходя из типа сидения, модели и цели применения. Чаще всего можно встретить изделия из деревянных досок с металлическими или бетонно-монолитными ножками: с ними конструкция становится прочной и способна выдерживать большие нагрузки.

Осуществляя выбор, обращайте внимание на следующие особенности:

  • Размер. Так как в зависимости от условий эксплуатации скамейка может иметь совершенно разные габариты и формы, следует учитывать то, какое количество людей будет на ней сидеть. Широкий ассортимент продукции с разнообразным дизайном и конструкциями позволит подобрать подходящее решение для любой ситуации.
  • Материал. Он должен быть износостойким и прочным. Как правило, деревянные доски покрываются специальными защитными составами, а изготовление основания конструкции выполняется из оцинкованной стали или бетона для большей стойкости к нагрузкам и повышения срока эксплуатации. На сегодняшний день качественные скамейки производятся из надежных материалов, которые не боятся снега, дождя, солнца и прочих негативных факторов.
  • Назначение. В зависимости от назначения скамейки бывают самых разных типов. Современные модели могут иметь различные формы, состоять из нескольких изделий, объединенных в одно целое. Для парков подойдут более стандартные варианты, а для коттеджа или загородного поместья можно выбрать скамейку витиеватой формы с интересным дизайном: она будет не только удобной, но и станет своеобразным украшением и элементом декора.

При правильном подходе можно подобрать идеальную модель скамейки нужного размера и внешнего вида под свой бюджет. Разнообразие изделий позволяет сделать это без труда.

Требования к садовой мебели

В первую очередь, скамейка должна быть удобной, поэтому сначала надо решить, какая модель лучше всего подойдет для всех членов семьи. Оптимальный вариант — лавочка, имеющая спинку.

Как сделать скамейку: разные варианты удобных и простых конструкций

  1. Безопасность. Любой предмет мебели должен быть максимально прочным, качественно собранным, чтобы иметь шанс выдержать даже серьезную нагрузку. Решение задачи простое: для скамейки нужно приобрести качественные материалы, такую же фурнитуру и крепежные элементы.
  2. Возможность противостоять «нападкам» влаги и перепадам температур. Скамейка будет служить долго, если для ее изготовления выбран материал без дефектов. Его максимальная защита от неблагоприятных условий обязательна. Эту роль выполняют антисептики и антипирены, краски и лаки.

Мобильная садовая мебель просто обязана обладать устойчивостью, особенно если в семье есть маленькие «разбойники». В этом случае родители смогут быть уверены, что ребенок не получит травму во время игр, так как их скамейка «прочно стоит на ногах».

Чтобы всласть отдохнуть

На даче хочется хорошенько отдохнуть, особенно после сельхозработ. Поэтому весьма желательно, чтобы скамейка для дачи удовлетворяла требованиям производственной эргономики:

  • Высота сиденья 400-500 мм.
  • Ширина сиденья 500-550 мм.
  • Высота спинки 350-500 мм.
  • Наклон спинки 74-78 градусов.
  • Профиль седалища (спинка с сиденьем) плавный, без провала под ягодицами.
  • В районе шеи и коленей делаются плавные отгибы профиля назад и вниз соответственно, чтобы можно было откинуть голову и поджать ноги, не чувствуя острого ребра.

Эргономичный садовый диван

Чертежи садово-дачного дивана, подходящего под такие условия, приведены на рис. Конструкция его достаточно трудо- и материалоемка, но технологически не сложна: деталей, конфигурация которых требовала бы применения лекал или шаблонов, в ней нет. Существенный ее недостаток – большой отход дорогого бруса, 1,3 м с 6-метровой заготовки, а 3-метровой мало. Садовая скамья-диван на след. рис. проще и толстый брус для нее не нужен, но 4 детали нужно выпиливать по сетке. Что, впрочем, при наличии электролобзика не страшно.

Эргономичный садовый диван из досок

Чертежи лавки из дерева

Тем, кому может показаться сложным это руководство, на вебсайте приведена инструкция по сбору лавки со спинкой с помощью молота. Подобную скамью мастерят за короткий срок, без особенных стараний.

Необходимо только шесть дощечек, схожих по масштабам. Далее приведен чертеж такой лавки.

После шлифовки и обработки всех дощечек, приступают к быстрой сборке. Дыры для саморезов предварительно просверливают, чтобы не было недостатков.

Деревянная скамья, собранная подобным методом, придает саду современный вид. Все компоненты скамьи важны и их должно хватать для сборки. Существует большое количество версий подобных скамеек, когда владельцы дач создают творения на “скорую руку”.

Предлагаем фотографии альтернатив таких скамеек в нашей галерее.

Однако хозяева участков не торопятся создавать что-то свое, а работают в огороде и не желают тратить собственное время на подобного рода занятие. Но то ощущение, которое приходит к людям, если они создают что-то своими руками – оставляет хороший осадок после себя.

Способы соединения деталей

Главное требование к скамейкам вовсе не красивый дизайн, а надежность и долговечность конструкции. Для прочной уличной мебели важен способ соединения деталей, зависящий от материала изготовления скамьи.

Большинство садовых скамеек сделаны из древесины или комбинации дерева с металлом и камнем. Для их соединения используют:

  1. Саморезы.
  2. Гвозди.
  3. Болты, гайки и шайбы.
  4. Столярное торцевое соединение «вполдерева», «обвязка».
  5. Оцинкованные накладки: плоские и угловые, установленные в скрытых от взгляда местах.
  6. Шпильки с оцинковкой, которые продеваются в сквозные отверстия деталей и стягиваются при помощи гаек с широкими шайбами.
  7. Нагели – деревянные чопики, которые вклеиваются в просверленные по их размеру отверстия.
Ссылка на основную публикацию
Похожее